平衡閥的主要特點是本身結構緊湊,密封可靠,結構簡單,密封面與球面常在閉合狀態,不易被介質沖蝕,易于操作和維護,適用于水、溶劑、酸和天然氣等一般工作介質,本文興迪源機械帶來平衡閥怎么安裝?平衡閥負載口何時需要加裝二次安全閥。
一、平衡閥怎么安裝?

1)、取掉法蘭端兩邊的保護蓋,在閥完全打開的狀態下進行沖洗清潔。
2)、帶執行機構平衡閥安裝前應按規定的信號(電或氣)進行整機測試(防止因運輸產生振動影響使用性能),合格后方可上線安裝(接線按電動執行機構線路圖)。
3)、準備與管道連接前,須沖洗和清除干凈管道中殘存的雜質(這些物質可能會損壞閥座和球芯)。
4)、在安裝期間,請不要用閥的執行機構部分作為起重的吊裝點,以避免損壞執行機構及附件。
5)、本類閥應安裝在管道的水平方向或垂直方向。
6)、安裝點附近的管道不可有低垂或者承受外力的現象,可以用管道支架或者支撐物來消除管線的偏離。
7)、與管道連接后,請用規定的扭矩交叉鎖緊法蘭連接螺栓。
平衡閥的主要特點是本身結構緊湊,密封可靠,結構簡單,密封面與球面常在閉合狀態,不易被介質沖蝕,易于操作和維護,適用于水、溶劑、酸和天然氣等一般工作介質,而且還適用于工作條件惡劣的介質,如氧氣、過氧化氫、甲烷和乙烯等,在各行業得到廣泛的應用。平衡閥閥體可以是整體的,也可以是組合式的。平衡閥工作原理:平衡閥只需要用旋轉90度的操作和很小的轉動力矩就能達到接通或切斷管道的介質。
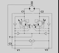
二、平衡閥負載口何時需要加裝二次安全閥?
1、重型機械(樁工設備、起重設備、混凝土設備等)上車回轉,制動時沖擊比較大,需要加裝單獨緩沖閥(溢流閥)緩沖。



2、多路閥中位為O機能,平衡閥工作在負載保持位置,油缸有瞬間沖擊,或者油液因溫度升高而膨脹升壓,需要溢流閥泄壓。

3、平衡閥不具備溢流功能時,需要加裝二次溢流閥,保證系統安全。


【興迪源液壓機優勢】
興迪源機械以流體壓力成形技術為核心,主導產品有:內高壓成型設備、板材充液成形設備、管材零件液壓成形設備、水脹液壓成形設備、多工位連體液壓拉深設備、四柱式液壓機設備、框架式液壓機設備等,并可按照客戶的需求設計制造特殊的非標液壓設備、非標油缸、非標液壓系統和配備自動化傳動系統。
興迪源生產的液壓機設備廣泛用于航天航空、核電、石化、汽車配件、自行車部件、五金制品、儀表儀器、醫療設備、家用電器、家用器皿、衛生廚具等制造行業。
